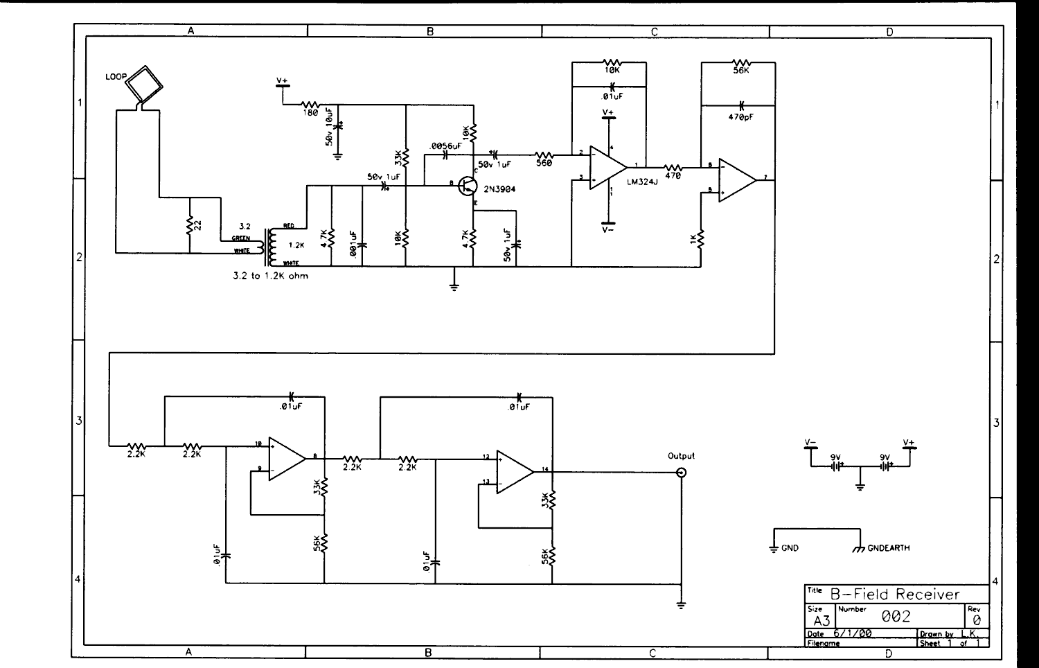
B-field VLF Receiver
Here is a Schematic Diagram of a B-Field
receiver I designed in May of 2000. It uses a single turn loop for
the antenna, however, it will work with multi-turn loops. The
frequency response seems to lower as turns are added to the loop. A
single turn of 20 gauge wire 300 feet long works very well. Even a
100 foot loop has a good amount of gain. The main drawback is the
sensitivity of this system, you must seek out a site VERY far from
AC power, B-field receivers can pick up AC noise several times
better than E-field receivers. In some instances, properly
positioned, you can orient the antenna for an AC null. Low pass
filtering can be added to the circuitry, if an LM324 op amp is used,
there are a couple of unused stages that a filter can be built out
of. This unit provides a LINE LEVEL output, not Mic level output.
For stereo reception of VLF, first, you must build two of
these receivers, second, you have to orient the antennas of each
unit at 90 degree angles from each other. Each antenna should be the
same length and at equal height.
Click here for the schematic diagram
Update: (6/1/00) I have made a few changes to the circuit, added
an active low-pass filter section with the unused portion of the
LM324 op-amp. Also, I improved the gain somewhat with a lower
impedance transformer.
Click here for the updated schematic diagram



|